12x25m multifamily apartment house plan sanitary layout
Description
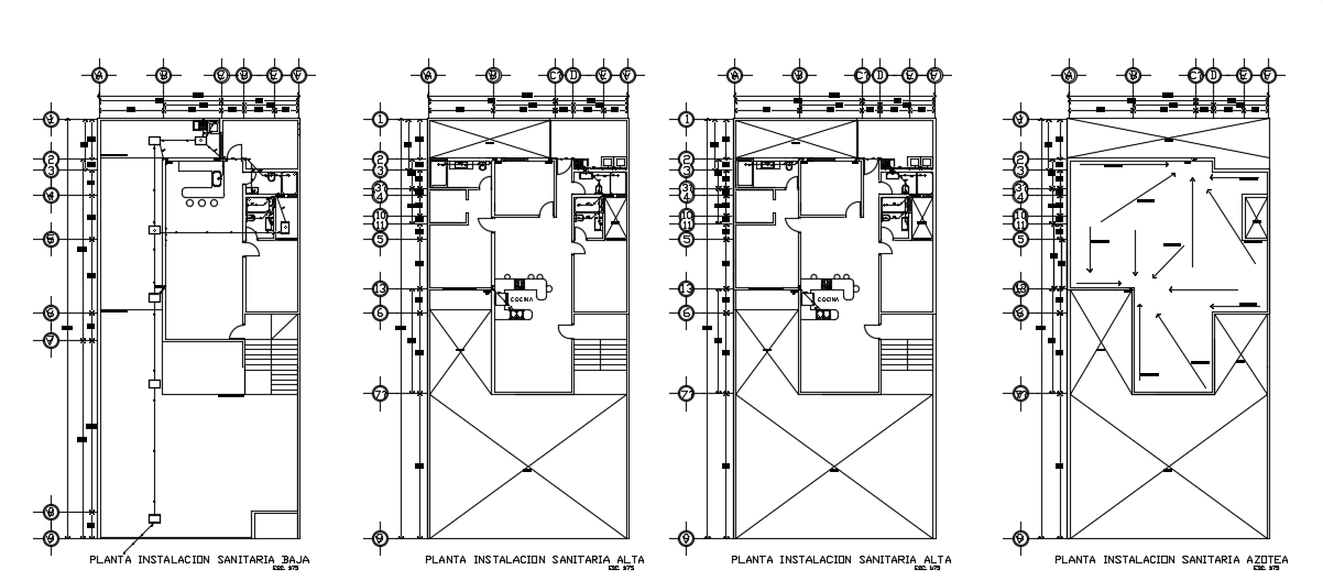
12x25m multifamily apartment house plan sanitary layout cad drawing is given in this file. This is three story apartment building. Here, the sanitary water lines are provided to the kitchen, attached bathroom, and common bathroom. Here, the manholes, and outlet sanitary water lines are given. On the roof floor, the water line direction drawing is given.
Uploaded by:

