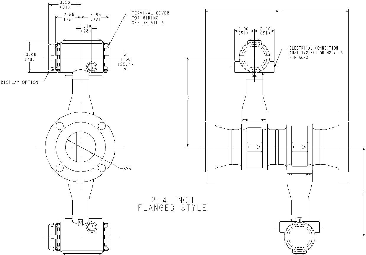
2-4 Inch Flanged Style Vortex Dual Flow meter.
Description
This Architectural Drawing is of 2-4 Inch Flanged Style Vortex Dual Flow meter. A vortex meter is a type of volumetric flow meter that makes use of a natural phenomenon that occurs when a liquid flows around a bluff object. Vortex flow meters operate under the vortex shedding principle, where vortices (or eddies) are shed alternately downstream of the object. Each type goes about measuring the flow rate of a fluid in a different way. We're going to look at five main types of flowmeters you can find on the market today, including differential pressure flowmeters, velocity flowmeters, positive displacement flowmeters, mass flowmeters and open-channel flowmeters. For more details and information download the drawing file.
File Type:
DWG
File Size:
840 KB
Category::
Mechanical and Machinery
Sub Category::
Mechanical Engineering
type:
Gold

Uploaded by:
Eiz
Luna

