AutoCAD 2D layout of electric utility network
Description
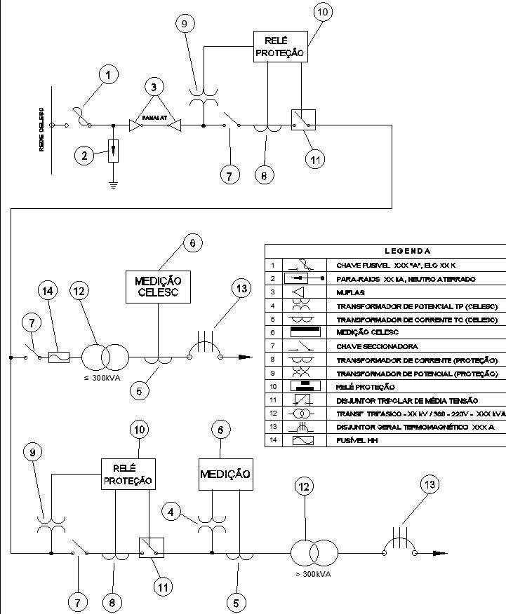
This architectural drawing is AutoCAD 2D layout of electric utility network. In this network shows at first 12 no. the power is less than or equal too 300kVA and the second 12 no. the power is greater than 300kVA. Symbols are identify with the help of given table. For more details and information download the DWG file.
File Type:
DWG
File Size:
39 KB
Category::
Electrical
Sub Category::
Electrical Automation Systems
type:
Gold
Uploaded by:
viddhi
chajjed

