Design of deformed and plain reinforcement
Description
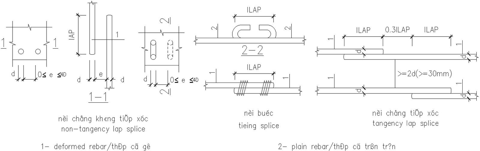
This architectural drawing is Design of deformed and plain reinforcement. Plain Bar and Deformed Bar are both kinds of steel bars. These are used in steel and concrete structures for reinforcement purposes. Steel bars, both plain and deformed, contribute to making the building more flexible, stronger, and resistant to stress. In this drawing There were given non tangency lap slice, tieing splice and tangency lap splice. For more details and information download the drawing file.
Uploaded by:
viddhi
chajjed

