Pile Founfation type.
Description
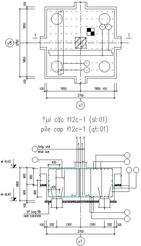
This Architectural Drawing is AutoCAD 2d drawing of Pile Foundation type. Pile foundation , a kind of deep foundation, is actually a slender column or long cylinder made of materials such as concrete or steel which are used to support the structure and transfer the load at desired depth either by end bearing or skin friction. Pile foundations are deep foundations. Pile foundations are principally used to transfer the loads from superstructures, through weak, compressible strata or water onto stronger, more compact, less compressible and stiffer soil or rock at depth, increasing the effective size of a foundation and resisting horizontal loads. For more details and information download the drawing file.

Uploaded by:
Eiz
Luna
