Installation of pile Cap Details.
Description
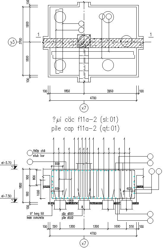
This Architectural Drawing is AutoCAD 2d drawing details of installation of pile cap. To install your caps, first, place the cap onto the pile. The cap should cover about an inch of the top of the pile. Then screw the piling cap onto the pile, ensuring that it maintains its shape. Screwing it in too tight can affect the shape and look of the piling cap. Capping beams for piles aim at transferring loads from closely spaced columns or walls into a row of piles. However, ground beams are structural elements to connect adjacent pile caps to improve the stability of foundation. For more details and information download the drawing file.

Uploaded by:
Eiz
Luna
