Design of Two way slab
Description
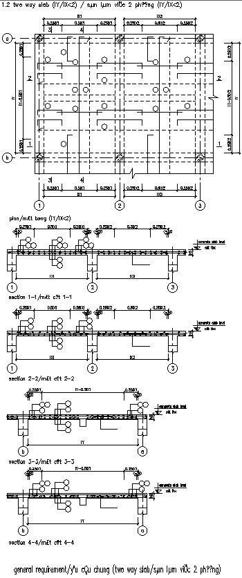
This architectural drawing is Design of Two way slab. The two-way slab is a slab which is generally supported on all sides of walls or beams, and whose length to breadth ratio is less than two and it twists or bends in both direction while transferring the loads to the walls or beams. In this drawing there were given two way slab plan, section 1, section 2, section 3 and section 4 with their notations and dimensions. For more details and information download the drawing file.
Uploaded by:
viddhi
chajjed

