Lean Concerte of foundation.
Description
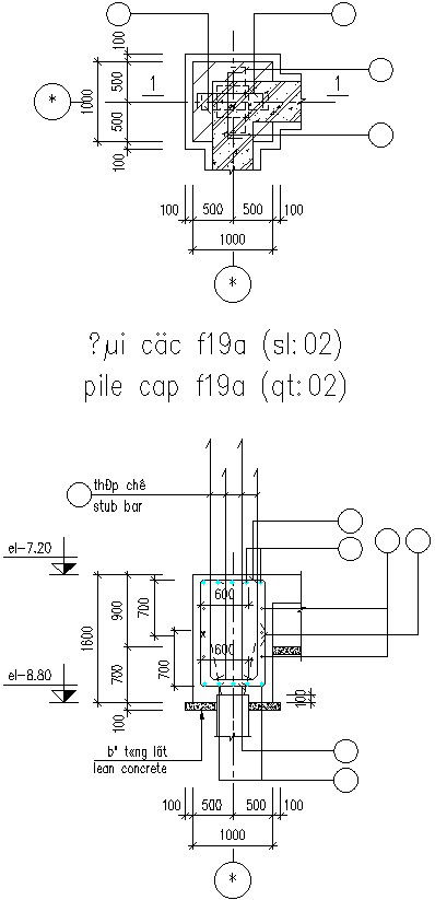
This Drawing is AutoCAD 2d drawing of Lean Concerte of foundation. A multi-purpose concrete that is used on a wide range of commercial and domestic construction sites. C25 is often used as a foundation concrete mix when pouring foundations (footings). It is also the ideal concrete for domestic slab foundations for house and bungalow floors. For more details and information download the drawing file.

Uploaded by:
Eiz
Luna

