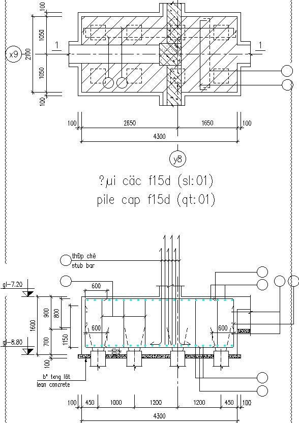
Pile Cap Layout.
Description
This Architectural Drawing is AutoCAD 2d drawing of Pile Cap Layout. The pile cap should overhang the outer piles, typically by a distance of 100-150 mm on all sides, depending on the size of the piles. Pile caps are constructed by excavating an area around the group of piles to enable formwork to be inserted. The pile tops may be trimmed to ensure they are at the same height. For more details and information download the drawing file.

Uploaded by:
Eiz
Luna
