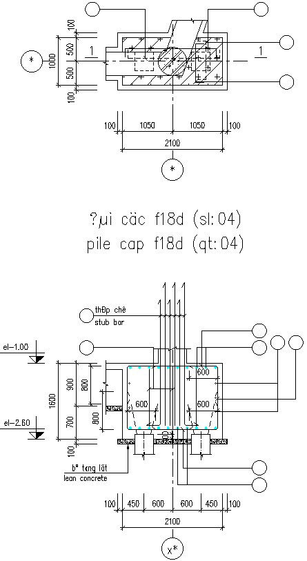
stub bar and pile cap layout.
Description
This Architectural Drawing is AutoCAD drawing of stub bar and pile cap layout. Stub column is defined as a type of column that is not directly connected with footing, constructed over the beam or slab to transfer the load on the primary beam. Stub column is a non-structural type of column and the height of stub column is very less. The pile cap should overhang the outer piles, typically by a distance of 100-150 mm on all sides, depending on the size of the piles. Pile caps are constructed by excavating an area around the group of piles to enable formwork to be inserted. The pile tops may be trimmed to ensure they are at the same height. For more details and information download the drawing files.

Uploaded by:
Eiz
Luna

