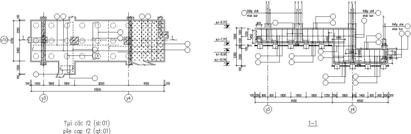
Pile cap reinforcement.
Description
This Architectural Drawing is AutoCAD 2d drawing of Pile cap reinforcement. The term "pile cap" may be used to describe a reinforced concrete slab constructed on top of a group of foundation piles to evenly displace or spread the load they are to carry. Pile caps create a stable foundation and offer a larger area for the distribution of the building load onto the piles. They act in a similar way to piled raft foundations, where a concrete slab rests on soil which may be susceptible to movement, above a group of piles. For more details and information download the drawing file.

Uploaded by:
Eiz
Luna

