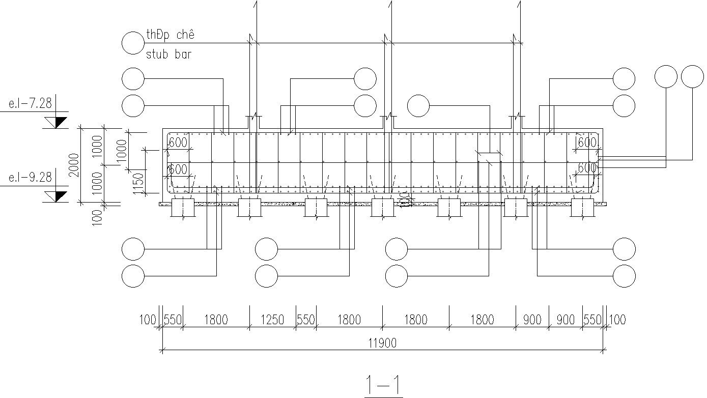
Stub column section drawing.
Description
This Architectural Drawing of AutoCAD 2d drawing of Stub column section drawing. A stub column is a type of column whose length is short and baseless which means do not have a foundation and footing as its rests on a beam or slab. It acts as a point load on the beam. A stub column does not fail by buckling because of its short length and It is constructed between one floor only. Stub column is used as per the architectural point of view. It is used to increase the aesthetic view of building. Stub column is used when the length of the beam increases. Because the length of the beam or other structural elements will be within the deflection limit as per the Indian standard provision. For more details and information download the drawing file.

Uploaded by:
Eiz
Luna
