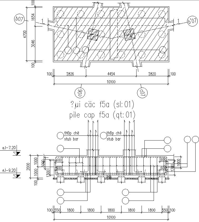
Details of pile cap and stub bar.
Description
This Architectural Drawing is AutoCAD 2d drawing is Details of pile cap and stub bar. It acts as a point load on the beam. A stub column does not fail by buckling because of its short length and It is constructed between one floor only. Piles are used to carry the load of the structure deep into the ground, and pile caps form the solid foundation on which the piers are then built. The purpose of stub column is providing to increase stiffness( the rigidity of a structural element that is able to resist deformation under the action of an applied force). A stub column is used to transfer load one from another beam. For more details and information download the drawing file.

Uploaded by:
Eiz
Luna

