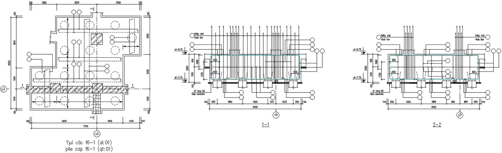
Section plan and elevation of stub column.
Description
This Architectural Drawing is AutoCAD 2d drawing of Section plan and elevation of stub column. The term column applies especially to a large round support (the shaft of the column) with a capital and a base or pedestal, which is made of stone, or appearing to be so. A small wooden or metal support is typically called a post, and supports with a rectangular or other non-round section are usually called piers. A column may be classified based on different criteria such as: A column is defined as a compression member, the effective length of which exceeds three times the least lateral dimension. Compression members, whose lengths do not exceed three times the least lateral dimension, may be made of plain concrete. For more details and information download the drawing file.

Uploaded by:
Eiz
Luna

