Details of Pile Cap of Reinforcement.
Description
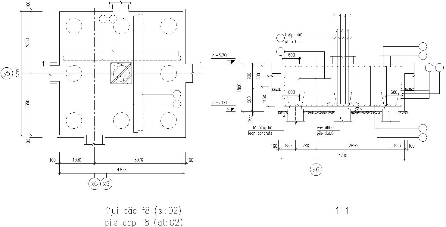
This Architectural Drawing is AutoCAD 2d drawing of Details of Pile Cap of Reinforcement. A pile cap is a thick concrete mat that rests on concrete or timber piles that have been driven into soft or unstable ground to provide a suitable stable foundation. The thickness of the pile cap t is a variable, which is between 0.5m and 3.0m. The diameter of piles is 0.5m, and the length is 8.5m. The center-to-center spacing of piles is 2.5 m. Both pile cap and piles are made of concrete. For more details and information download the drawing file.

Uploaded by:
Eiz
Luna

