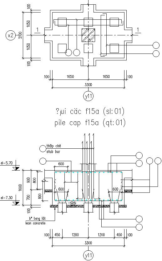
Lean concrete and pile cap section drawing.
Description
This Architectural Drawing is AutoCAD 2d drawing of Lean concrete and pile cap section drawing. A pile cap is a thick concrete mat that rests on concrete or timber piles that have been driven into soft or unstable ground to provide a suitable stable foundation. Pile caps are constructed by excavating an area around the group of piles to enable formwork to be inserted. The pile tops may be trimmed to ensure they are at the same height. A reinforcement cage is then built and positioned in the formwork cast box and fastened to the piles. For more details and indormation download the drawing file.

Uploaded by:
Eiz
Luna
