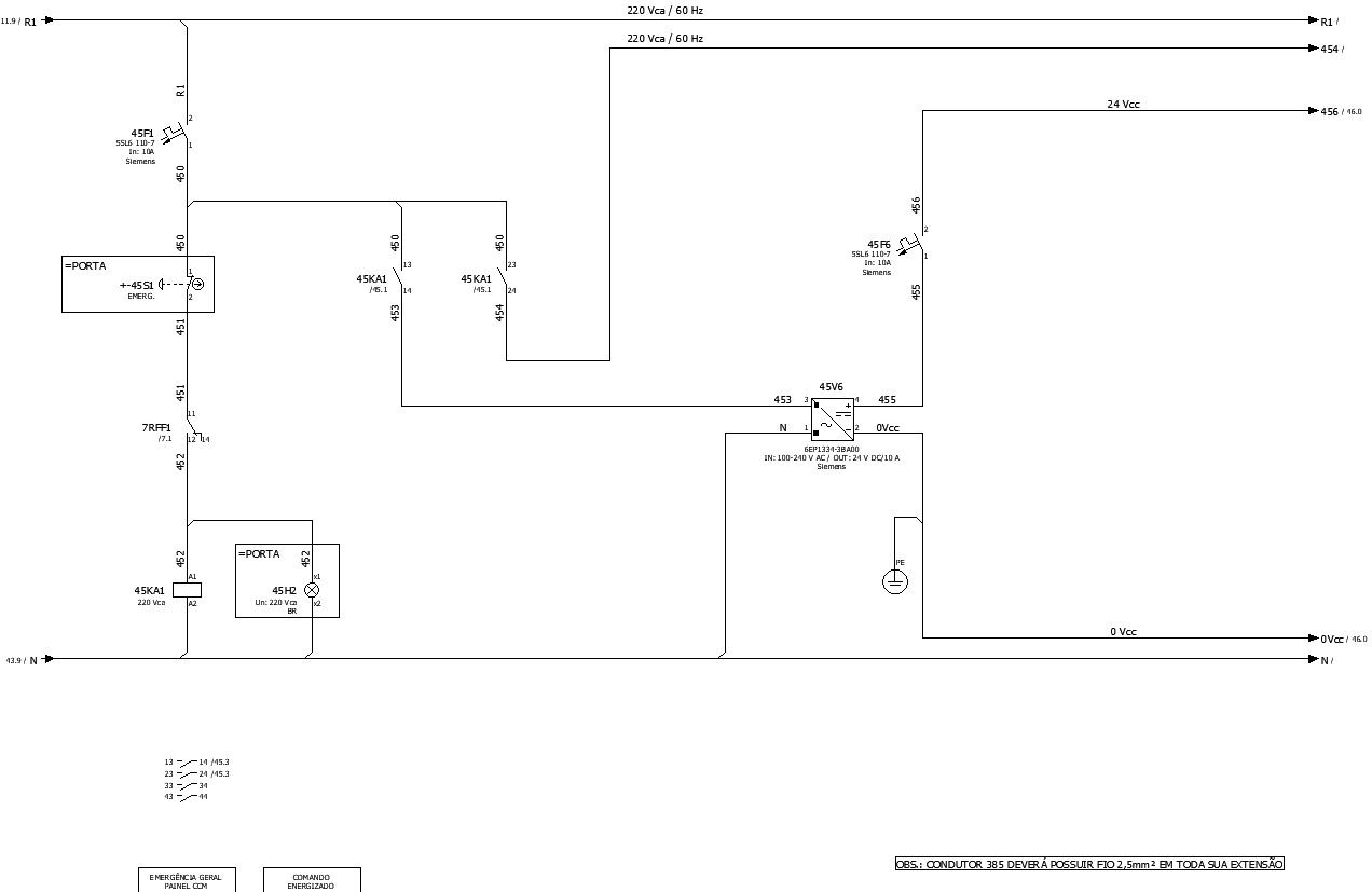
Network diagram of powered control
Description
This architectural drawing is Network diagram of powered control. In this drawing there were given emergency general panel. An emergency power system is an independent source of electrical power that supports important electrical systems on loss of normal power supply. For more details and information download the drawing file.
File Type:
DWG
File Size:
447 KB
Category::
Electrical
Sub Category::
Electrical Automation Systems
type:
Gold
Uploaded by:
viddhi
chajjed

