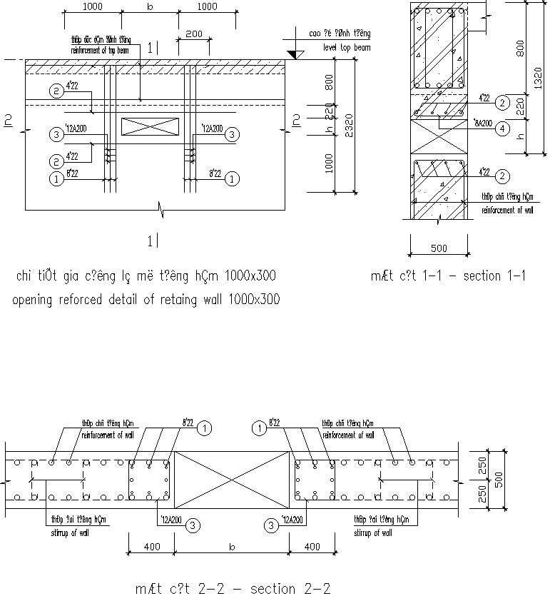
opening reforced detail of retaing wall 1200x1900
Description
This Architectural Drawing is AutoCAD 2d drawing of opening reforced detail of retaing wall 1200x1900. Steel reinforcing bar around openings is a critical structural element of cast-in-place concrete walls, whether they are built with removable forms or insulating concrete forms (ICFs). Correct placement of the rebar helps prevent the concrete around openings from cracking from structural loads or shrinkage. You can use pneumatic or electric jackhammers and hammer chisels to aid in the removal process, or you can use a sledgehammer, hammer, pry bar and chisels. Break the concrete wall into small chunks with your preferred tool and let the debris fall to the ground as you work. For more details and information download the drawing file.

Uploaded by:
Eiz
Luna

