DETAILS REINFORCED OPENING
Description
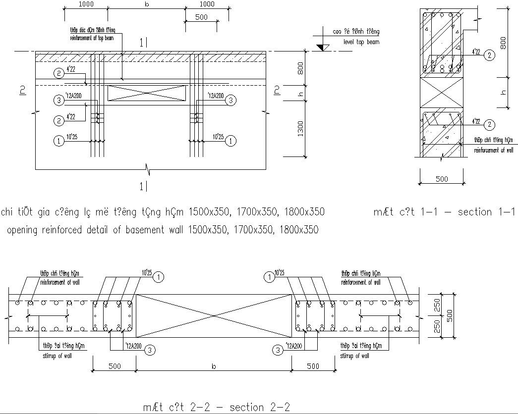
This Architectural Drawing is AutoCAD 2d drawing is Detail of reinforced opening. Rebar detailing is the discipline of preparing 'shop/placing' or 'fabrication' drawings or shop drawings of steel reinforcement for construction. Architects and Engineers prepare 'design drawings' that develop required strengths by applying rebar size, spacing, location, and lap of steel. Steel reinforcing bar around openings is a critical structural element of cast-in-place concrete walls, whether they are built with removable forms or insulating concrete forms (ICFs). Correct placement of the rebar helps prevent the concrete around openings from cracking from structural loads or shrinkage. For more details and information download the drawing file.

Uploaded by:
Eiz
Luna

