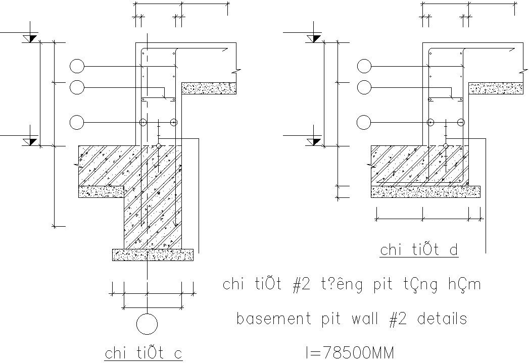
Basement pit wall details( l=122080MM )
Description
This Architectural Drawing is AutoCAD 2d drawing of Basement pit wall details( l=122080MM ).

Uploaded by:
Eiz
Luna
This Architectural Drawing is AutoCAD 2d drawing of Basement pit wall details( l=122080MM ).

Uploaded by:
Luna