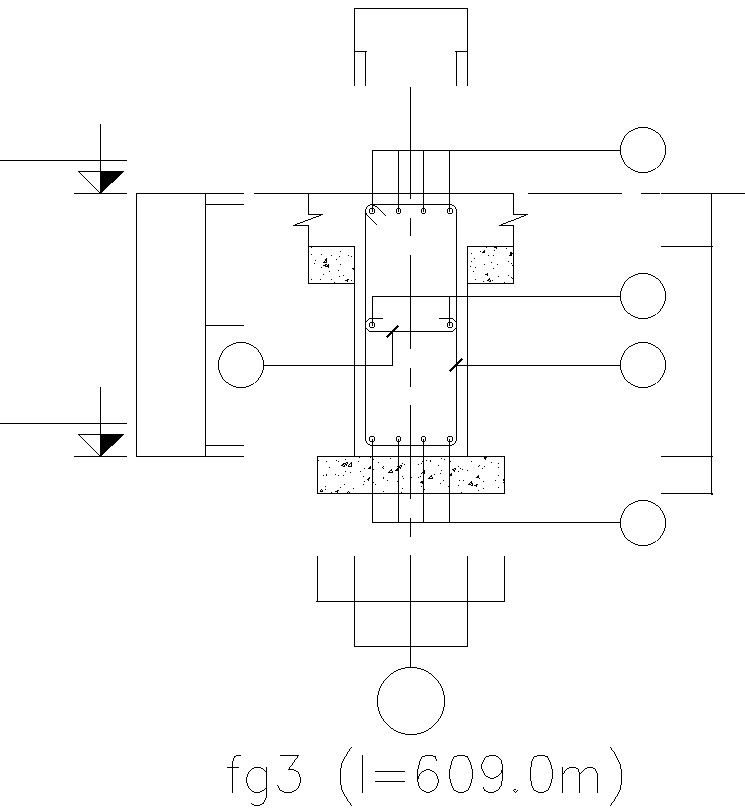
GRADE BEAMS DETAILS.

GRADE BEAMS DETAILS.
Profile

Uploaded by:

Eiz

Luna

Description

This Architectural Drawing is AutoCAD 2d drawing of GRADE BEAMS DETAILS. 

Profile

Uploaded by:

Eiz

Luna

find Latest

Related Files