Section of column with detailing
Description
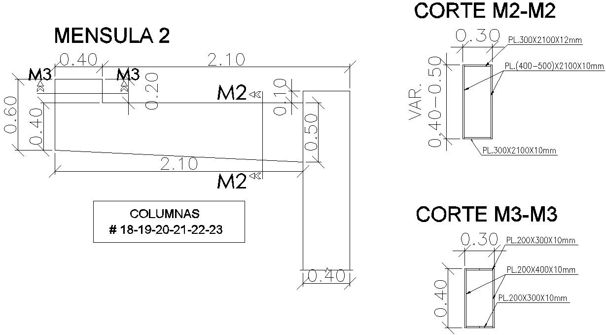
This architectural drawing is Section of column with detailing. In this drawing there were thickness of the column is 0.40 is given. There were size of the beam is 2.10x0.40 is given. In this drawing also given cross section M2 and M3 with detailing. For more details and information download the drawing file.
Uploaded by:
viddhi
chajjed

