Pole Transfer switch details in AutoCAD, dwg file.
Description
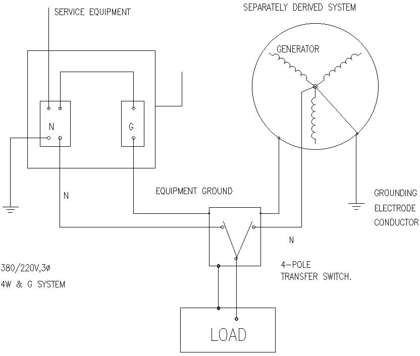
This Architectural Drawing is AutoCAD 2d drawing of Pole Transfer switch details in AutoCAD, dwg file. On systems using a 4-pole ATS, each source's neutral is bonded to ground at its source, so each source is considered to be “separately derived.” Regardless of which source the customer load is switched to, if a ground fault occurs, the fault current will travel through ground directly back to the source

Uploaded by:
Eiz
Luna

