2D drawing of roof connections, dwg file, CAD file, AutoCAD drawing
Description
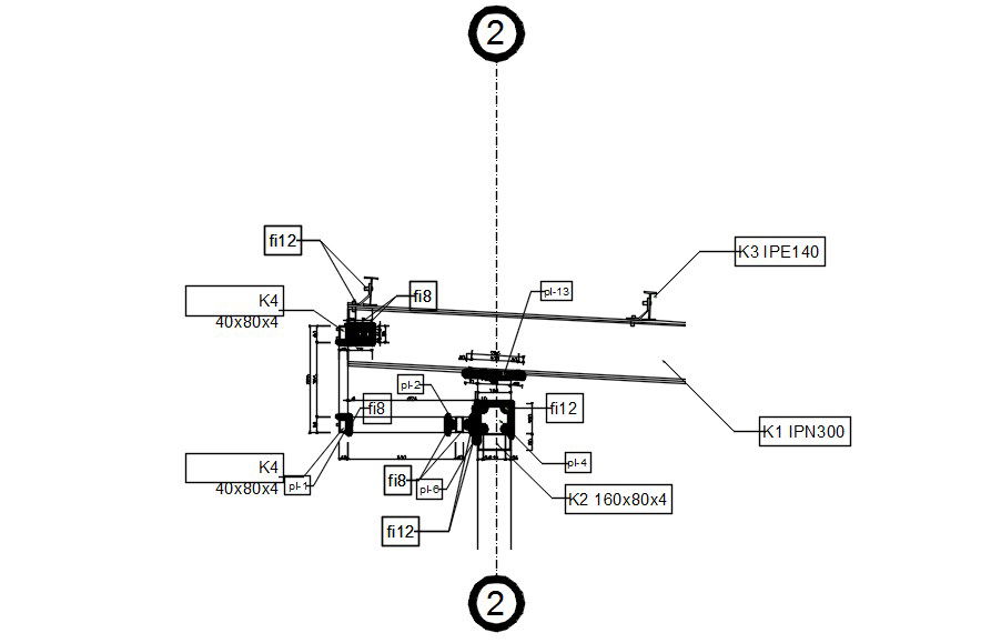
This architectural drawing is 2D drawing of roof connections, dwg file, CAD file, AutoCAD drawing. The framework for the roofing and roof deck. These are the angled underside timbers of a sloped roof. A roof is supported mostly by its roof rafters. For more details and information download the drawing file. Thank you for visiting our website cadbull.com.
Uploaded by:
viddhi
chajjed

