Suite room design in AutoCAD 2D drawing, CAD file, dwg file
Description
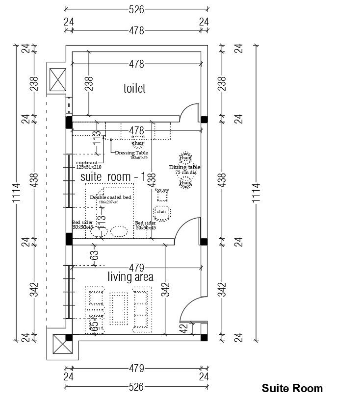
This architectural drawing is a Suite room design in AutoCAD 2D drawing, CAD file, and dwg file. In this drawing there were living area, bedroom, toilet-bathroom, etc. are given with details. For more details and information download the drawing file. Thank you for visiting our website cadbull.com.
Uploaded by:
viddhi
chajjed

