2D drawing of buffer hopper system in AutoCAD, CAD file, dwg file
Description
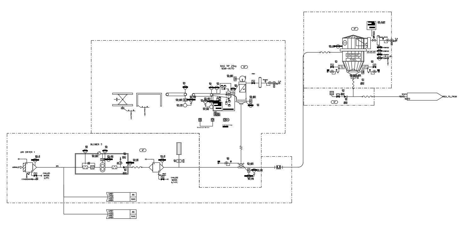
This architectural drawing is the 2D drawing of the buffer hopper system in AutoCAD, CAD file, and dwg file. The buffer hopper is a container made for holding materials while they wait to be cleaned or transformed. Typically, this container is weighed or has level probes. It serves as a bridge connecting the huge bag station's upper and lower portions. For more details and information download the drawing file. Thank you for visiting our website cadbull.com.
File Type:
DWG
File Size:
1.5 MB
Category::
Mechanical and Machinery
Sub Category::
Factory Machinery
type:
Gold
Uploaded by:
viddhi
chajjed

