Mixing and incubation section design in AutoCAD 2D drawing, CAD file, dwg file
Description
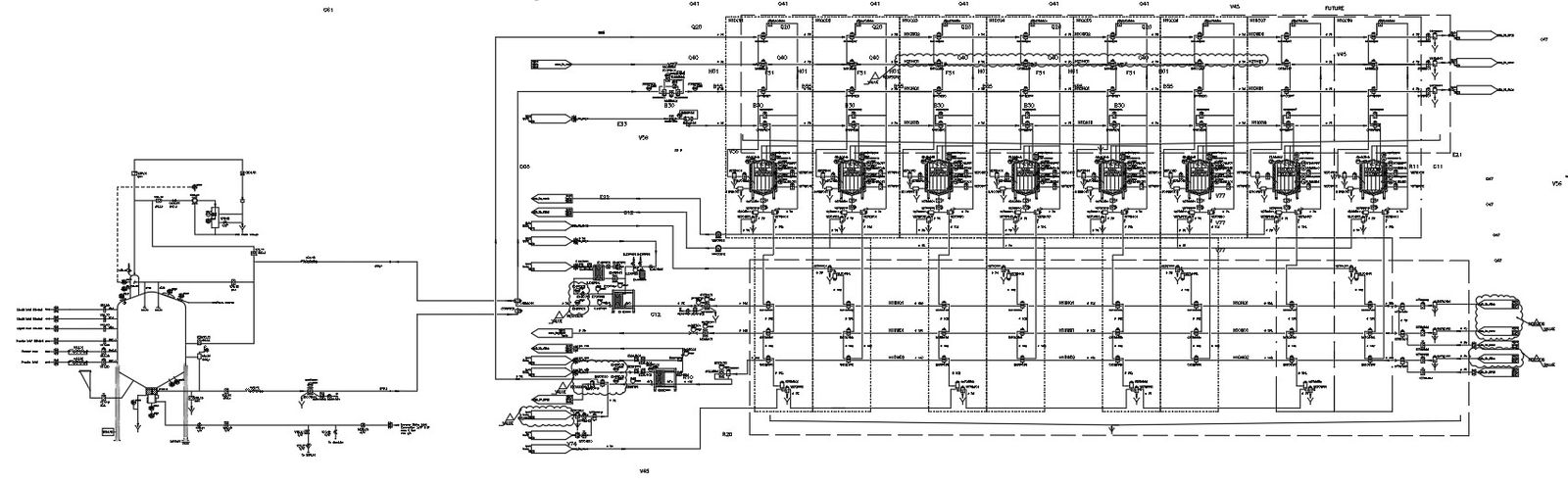
This architectural drawing is a Mixing and incubation section design in AutoCAD 2D drawing, CAD file, and dwg file. High-speed rotors that drive the mixture against a stator in an outward motion are used in high-shear mixers to create shear. Using these mixers, the batch is mixed, rotated, and stirred. High horsepower is used to produce even higher amounts of shear in one specific type of high-shear mixing called dispersion. For more details and information download the drawing file. Thank you for visiting our website cadbull.com.
File Type:
DWG
File Size:
1.5 MB
Category::
Mechanical and Machinery
Sub Category::
Factory Machinery
type:
Gold
Uploaded by:
viddhi
chajjed

