2D drawing of wheel and gear details in AutoCAD, CAD file, dwg file
Description
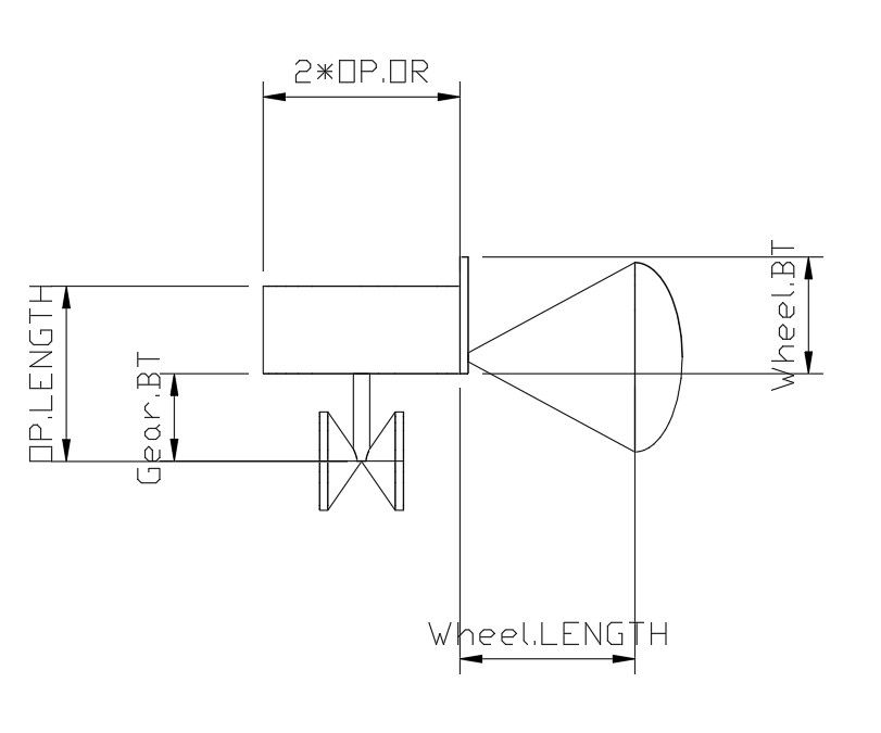
This architectural drawing is the 2D drawing of wheel and gear details in AutoCAD, CAD file, and dwg file. For more details and information download the drawing file. Thank you for visiting our website cadbull.com.
File Type:
DWG
File Size:
36 KB
Category::
Mechanical and Machinery
Sub Category::
Other Cad Blocks
type:
Gold
Uploaded by:
viddhi
chajjed

