2D design of different section of footing with reinforcement details in AutoCAD drawing, CAD file, dwg file
Description
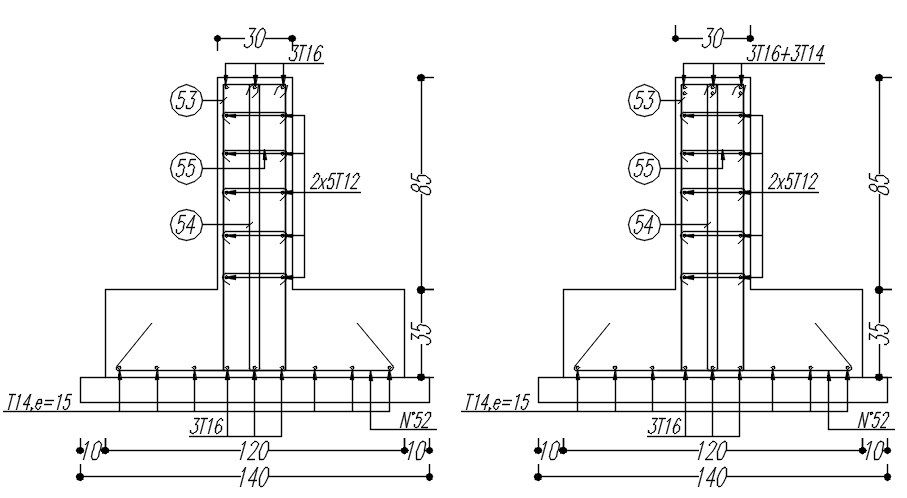
This architectural drawing is 2D design of different section of footing with reinforcement details in AutoCAD drawing, CAD file, dwg file. The construction of foundations must include footings. They are typically constructed from concrete that has been poured into an excavated trench with rebar reinforcement. To support the foundation and stop settling, footings are used. Particular attention should be paid to footings in areas with problematic soils. For more details and information download the drawing file. Thank you for visiting our website cadbull.com.
File Type:
DWG
File Size:
15.6 MB
Category::
Construction
Sub Category::
Concrete And Reinforced Concrete Details
type:
Gold
Uploaded by:
viddhi
chajjed

