AutoCAD drawing of reinforcement and formwork details of the coping, CAD file, dwg file
Description
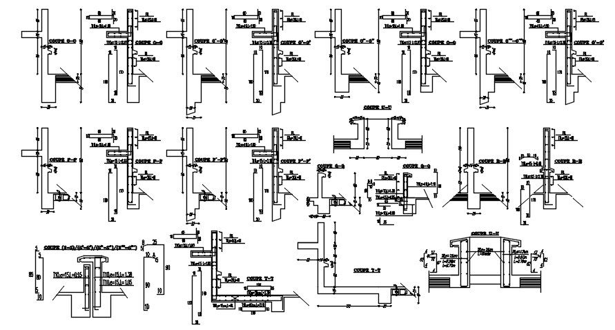
This architectural drawing is AutoCAD drawing of reinforcement and formwork details of the coping, CAD file, dwg file. Copings are used to cap the tops of masonry parapets and freestanding walls to prevent rainwater from penetrating into the construction below. They can be made from profiled metal such as lead, aluminium, zinc, copper and plastic-coated steel, or by using special bricks or masonry. For more details and information download the drawing file. Thank you for visiting our website cadbull.com.
Uploaded by:
viddhi
chajjed

