Coping Formwork 2D Design in AutoCAD with Dimensions and Details
Description
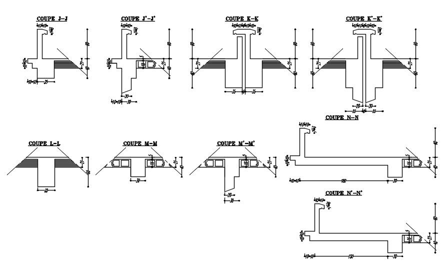
This AutoCAD DWG file provides a detailed 2D design of coping formwork, essential for constructing protective caps on walls and parapets. Coping serves as a covering applied over the top of a wall or roof that is partially exposed, protecting it from weather elements. The drawing includes precise dimensions and design specifics, making it a valuable resource for structural engineers, architects, and construction professionals involved in wall construction and reinforcement. The file is designed to assist in the accurate construction and implementation of coping formwork as per the provided specifications.
Uploaded by:
viddhi
chajjed

