2D design of Bridge abutment wall plan with details in AutoCAD drawing, CAD file, dwg file
Description
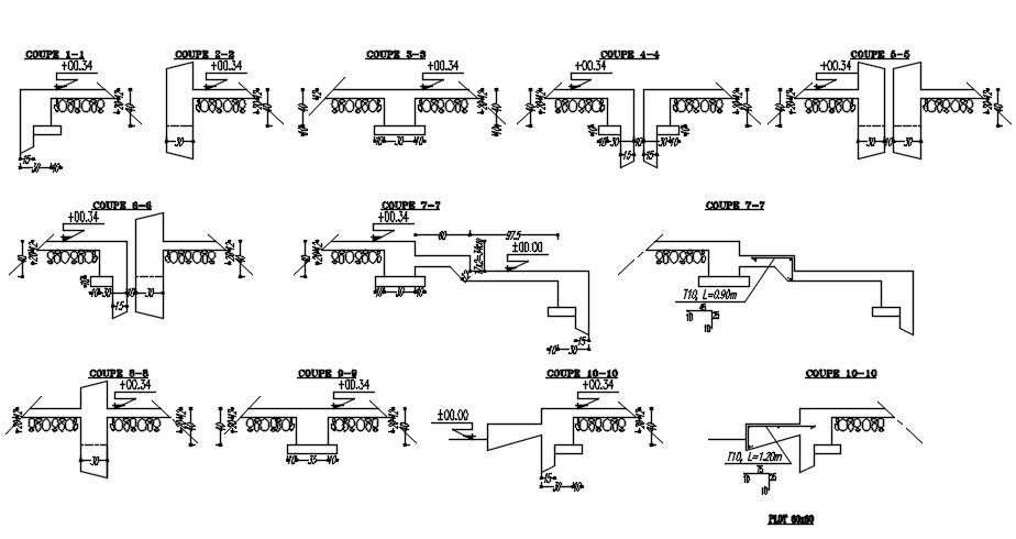
This architectural drawing is the 2D design of the Bridge abutment wall plan with details in AutoCAD drawing, CAD file, and dwg file. Details of the Abutment wall plan and mentioning the width, height, and thickness of the different sections are given. For more details and information download the drawing file.
Uploaded by:
viddhi
chajjed

