AutoCAD 2D drawing of steel structure part component layout plan details, CAD file, dwg file
Description
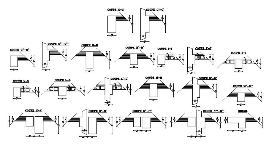
This architectural drawing is an AutoCAD 2D drawing of steel structure part component layout plan details, CAD file, dwg file. In this drawing section G-G, G'-G', G''-G'', H-H, H'-H', I-I, I'-I', J-J, L-L, L'-L', M-M, M'-M', M"-M", N-N, N'-N', N"-N", N'"-N'" are given. For more details and information download the drawing file.
Uploaded by:
viddhi
chajjed

