Ground, First & Roof Plan Design with AutoCAD 2D DWG Files
Description
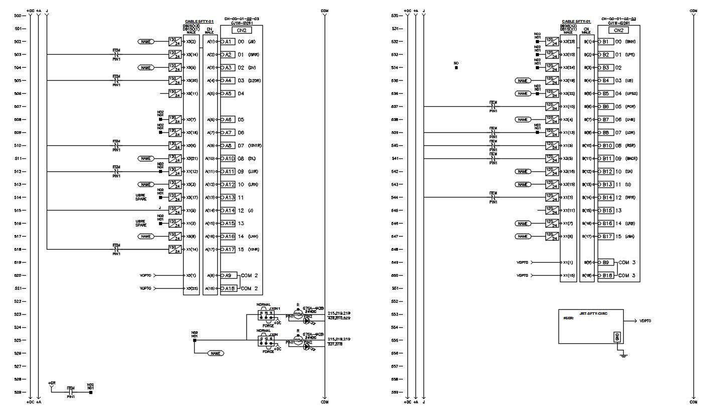
2D design of electrical network system in AutoCAD drawing. A model of such an interconnection made up of electrical elements is known as an electrical network. Electrical components are connected through this interconnection. For more detailed information download the 2D AutoCAD dwg file.
File Type:
3d max
File Size:
2.7 MB
Category::
Electrical
Sub Category::
Electrical Automation Systems
type:
Gold
Uploaded by:
viddhi
chajjed

