2D design of feeder pusher components of the incinerator plant in AutoCAD drawing, CAD file, dwg file
Description
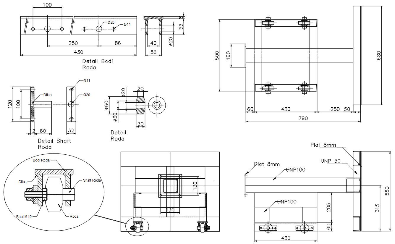
2D design of feeder pusher components of the incinerator plant in AutoCAD drawing, CAD file. Components names are specified with their dimension details are given in this file. For more detailed information download the 2D AutoCAD dwg file.
Uploaded by:
viddhi
chajjed

