Electric wiring diagram of machine room in AutoCAD 2D drawing, CAD file, dwg file
Description
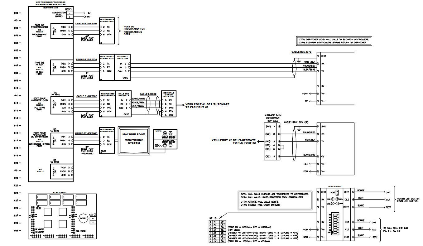
Electric wiring diagram of machine room in AutoCAD 2D drawing. A wiring diagram is a graphical representation of an electrical circuit that has been simplified. It depicts the circuit's components as simplified shapes, as well as the power and signal connections between the devices. For more knowledge and detailed information download the AutoCAD 2D dwg file.
File Type:
DWG
File Size:
2.7 MB
Category::
Electrical
Sub Category::
Electrical Automation Systems
type:
Gold
Uploaded by:
viddhi
chajjed

