Wall Section Details in this AutoCAD 2D Drawing File
Description
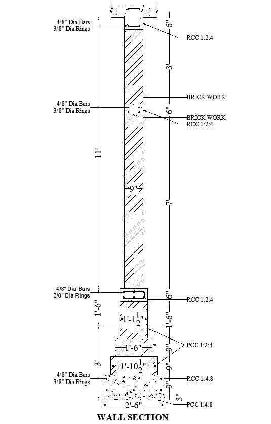
In this AutoCAD 2D drawing file, you'll find easy-to-understand wall section details. This CAD file provides comprehensive insights into wall construction. Perfect for those seeking detailed CAD drawings or DWG files. Explore the intricacies of wall sections effortlessly with this AutoCAD gem
File Type:
DWG
File Size:
—
Category::
Structure
Sub Category::
Section Plan CAD Blocks & DWG Drawing Models
type:
Gold
Uploaded by:
K.H.J
Jani

