Detailed 2D Beam Reinforcement CAD Drawing In AutoCAD DWG File
Description
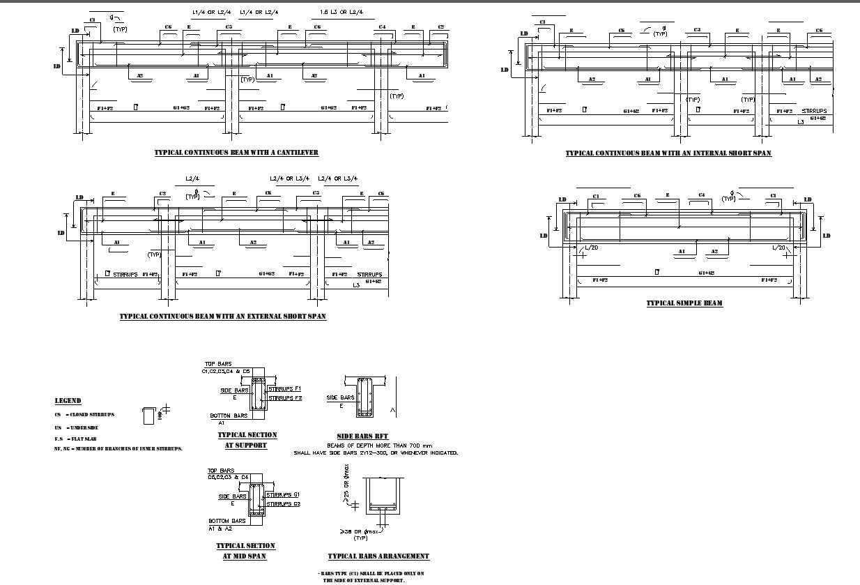
Discover a detailed 2D drawing of reinforced beams, ready for your construction projects. This CAD drawing, available in AutoCAD DWG format, provides precise reinforcement details for your structural designs. Perfect for architects, engineers, and construction professionals seeking accurate CAD files for their projects.
Uploaded by:
K.H.J
Jani

