Water Filtration System Details CAD Drawing In AutoCAD DWG File
Description
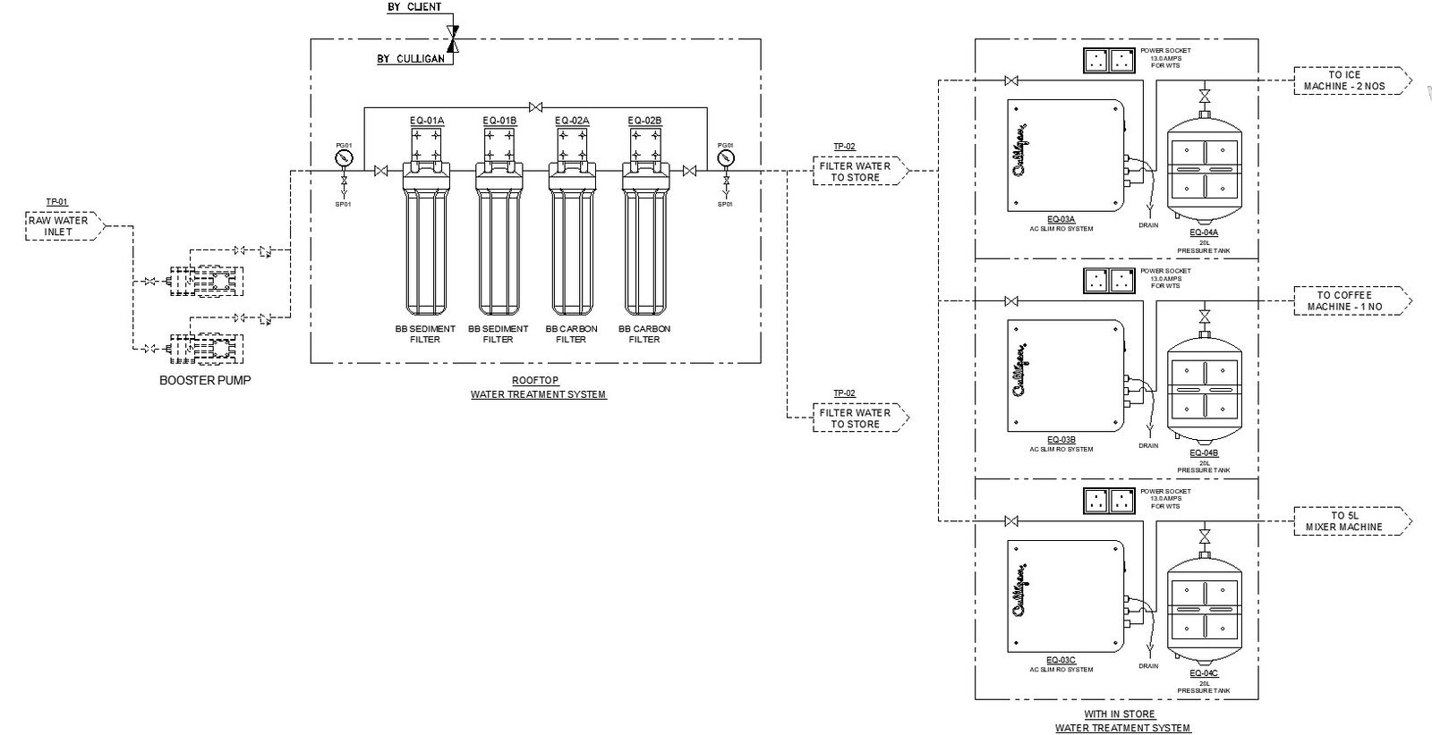
Discover the intricacies of a water filtration system with our detailed CAD drawing available in AutoCAD DWG format. Explore the inner workings of the system, from filtration mechanisms to pipe layouts, all conveniently presented in CAD format. Accessible, precise, and ready for integration into your projects, our CAD files provide the essential details you need. Dive into the world of CAD drawings and enhance your designs with our comprehensive water filtration system details.
Uploaded by:
K.H.J
Jani

