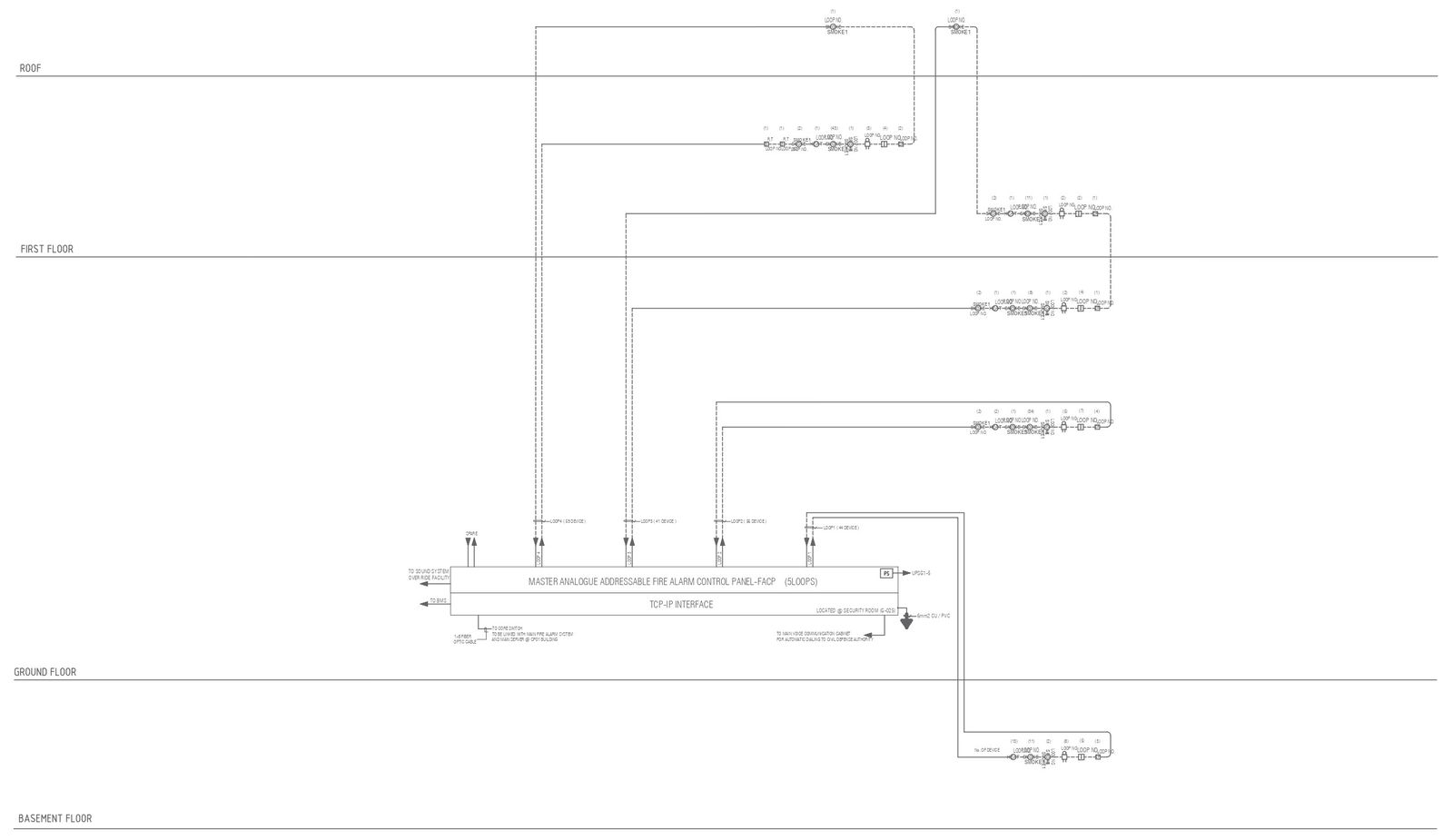
Fire alarm control panel electric layout with detailed wiring DWG AutoCAD drawing
Description
Discover the meticulously crafted electric layout of a fire alarm control panel, complete with detailed wiring, ensuring optimal safety and functionality. Our comprehensive layout considers plot details, furniture arrangements, and space planning considerations, guaranteeing efficient distribution of electrical components throughout the building. With precise attention to detail, the wiring layout is meticulously depicted to ensure seamless integration and operation of the fire alarm system. Whether part of a housing scheme, apartment design, or commercial project, our electric layout offers invaluable insights into modern building infrastructure. Enhance your project with our CAD drawings, available in DWG format, unlocking endless design possibilities and meticulous attention to detail. From floor layouts to architectural intricacies, experience the convenience and efficiency of our meticulously planned electric layouts. Immerse yourself in the creative process, where every detail reflects excellence in design and execution, ensuring utmost safety and peace of mind.
Uploaded by:

