Transformer detail with circuit and cables detail dwg autocad drawing .
Description
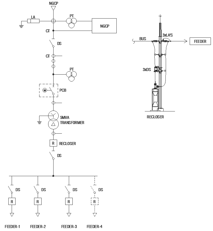
Explore our meticulously crafted Transformer Detail with Circuit and Cables DWG AutoCAD drawing, offering comprehensive insights into electrical layouts and wiring configurations. Our drawing provides detailed information on transformer specifications, circuitry, and cable routing, ensuring seamless integration within your electrical system design.From transformer dimensions to circuit connections and cable routing paths, every aspect is meticulously outlined to facilitate efficient installation and operation. Our drawing serves as a valuable resource for electrical engineers, architects, and designers seeking accurate representations of transformer installations and associated wiring layouts.Accessible through AutoCAD files, our drawing allows for easy integration into your project plans, enabling customization and adaptation to suit specific requirements. Whether for industrial, commercial, or residential applications, our Transformer Detail with Circuit and Cables DWG drawing provides essential insights for optimizing electrical system designs.Enhance your project's electrical infrastructure with our detailed drawing, designed to meet the highest standards of functionality, safety, and efficiency.

Uploaded by:
Eiz
Luna

