Fire schematic diagram detail AutoCAD DWG drawing
Description
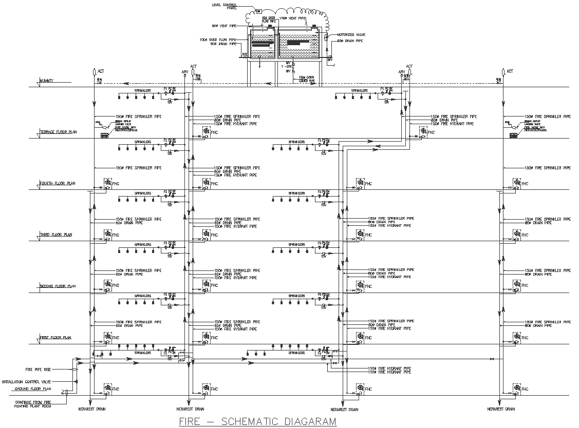
Explore a comprehensive Fire Schematic Diagram in DWG AutoCAD format, featuring fire alarm and safety system installations. This drawing provides essential electric layout details crucial for safety control and fire prevention. Designed to support architects and designers, it includes accurate plot details and site analysis, enabling efficient space planning and floor layout optimization. The drawing encompasses various architectural details such as bedroom, kitchen, and staircase layouts, ideal for integrating fire safety systems into residential designs. Elevate your projects with intricate façade designs, foundation plans, and concrete construction elements, contributing to urban development and society's safety.
File Type:
DWG
File Size:
459 KB
Category::
Dwg Cad Blocks
Sub Category::
Autocad Plumbing Fixture Blocks
type:
Gold
Uploaded by:

