Saddle Support Fixed Sliding Base Plates DWG CAD File
Description
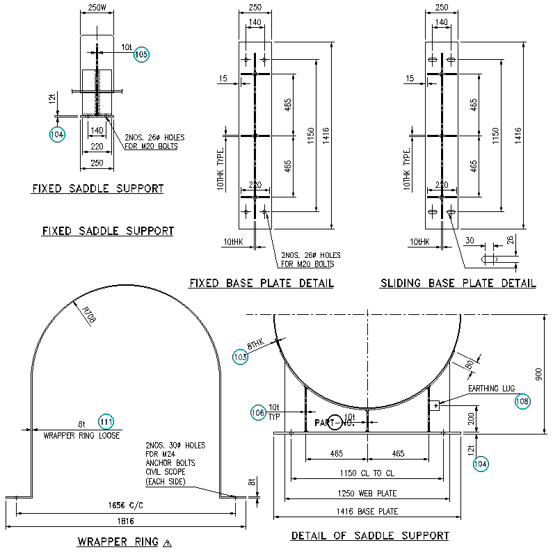
Discover the detailed design of saddle support along with fixed and sliding base plates in this comprehensive DWG AutoCAD file. Perfect for architects, engineers, and construction professionals, this 2D drawing provides precise measurements and clear specifications essential for accurate implementation. Whether you're working on a new project or need reference for an existing structure, this CAD file ensures you have the necessary details at your fingertips. The high-quality CAD drawings in this DWG file offer a reliable resource for your design needs. Enhance your workflow with these expertly crafted AutoCAD files, bringing efficiency and precision to your work. Get access to this essential DWG file and make your projects stand out with professional-grade details.
File Type:
3d max
File Size:
1 MB
Category::
Mechanical and Machinery
Sub Category::
Mechanical Engineering
type:
Gold

Uploaded by:
Eiz
Luna

