Telephone System Riser Diagram and Computer System Riser Diagram Section Detail DWG AutoCAD file
Description
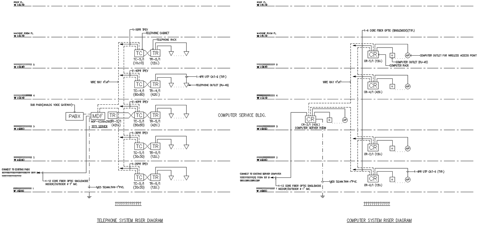
Explore the detailed Telephone System Riser Diagram and Computer System Riser Diagram Section in this DWG AutoCAD file. Perfect for architects and engineers, this file provides comprehensive and precise CAD drawings to support your project needs. The 2D drawing layout ensures clarity and accuracy, allowing for seamless integration into your design plans. With this DWG file, you can easily visualize and implement telephone and computer system risers in any building layout. These AutoCAD files are indispensable for creating efficient and effective communication and network systems. Enhance your project with professional-grade cad files that bring your designs to life. Get your hands on this essential resource and elevate your technical drawings to the next level. Perfect for both educational and professional use, this DWG file is a must-have for anyone involved in detailed technical planning and design.

Uploaded by:
Eiz
Luna

