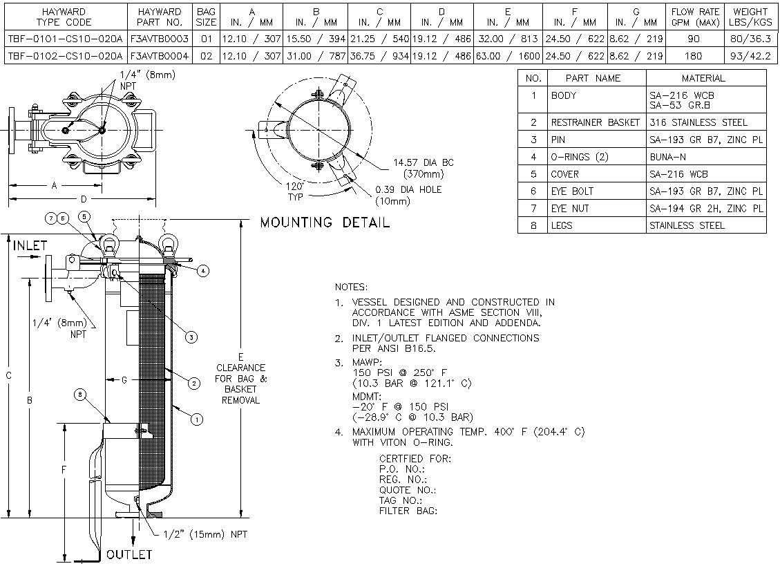
Detail Section Of Mounting Mechanical Cad DWG AutoCAD file
Description
This AutoCAD DWG file provides precise technical drawings of mounting details for mechanical equipment. Engineers and technicians can use this detailed CAD file to understand the exact specifications for mounting brackets, supports, and connections. It includes dimensions, materials, and assembly instructions. Ideal for ensuring accurate and efficient installation of mechanical systems.
File Type:
DWG
File Size:
178 KB
Category::
Mechanical and Machinery
Sub Category::
Mechanical Engineering
type:
Gold

Uploaded by:
Eiz
Luna

