Electrical Wiring Layout Diagram with Unifilar Multifilar DWG
Description
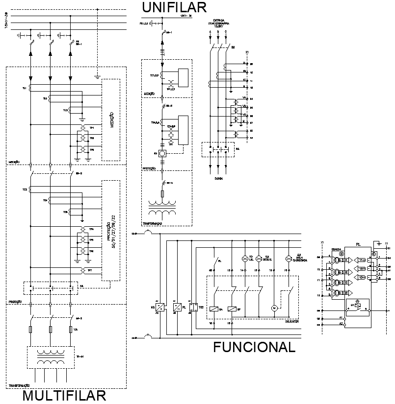
This electrical wiring layout CAD DWG drawing provides a complete representation of an electrical system through unifilar, multifilar, and functional diagrams. The unifilar diagram presents a simplified single-line view of the electrical distribution, clearly showing power flow, transformers, protection devices, and main connections. The multifilar diagram expands the same system into detailed multi-line wiring, illustrating individual conductors, terminals, grounding points, and component interconnections. Functional diagrams further explain circuit behavior by detailing relays, switches, indicators, and control logic used in electrical operation. Each diagram is drafted with standard electrical symbols, consistent line weights, and organized spacing to ensure clear interpretation and accurate coordination during design and execution stages.
This wiring diagram DWG file supports precise electrical planning by clearly defining circuit paths, component placement, and connection logic required for installation and maintenance. It helps professionals understand system functionality, identify wiring continuity, and reduce errors during execution. The scalable CAD format allows easy review of circuit layouts at different zoom levels without loss of clarity. Suitable for new electrical system design as well as upgrades to existing installations, this drawing serves as a reliable technical reference for electrical coordination, documentation, and construction-level understanding across various project requirements.
File Type:
DWG
File Size:
195 KB
Category::
Electrical
Sub Category::
Architecture Electrical Plans
type:
Gold

Uploaded by:
Eiz
Luna

