Water Tank Pipeline Diagram Details AutoCAD DWG Download
Description
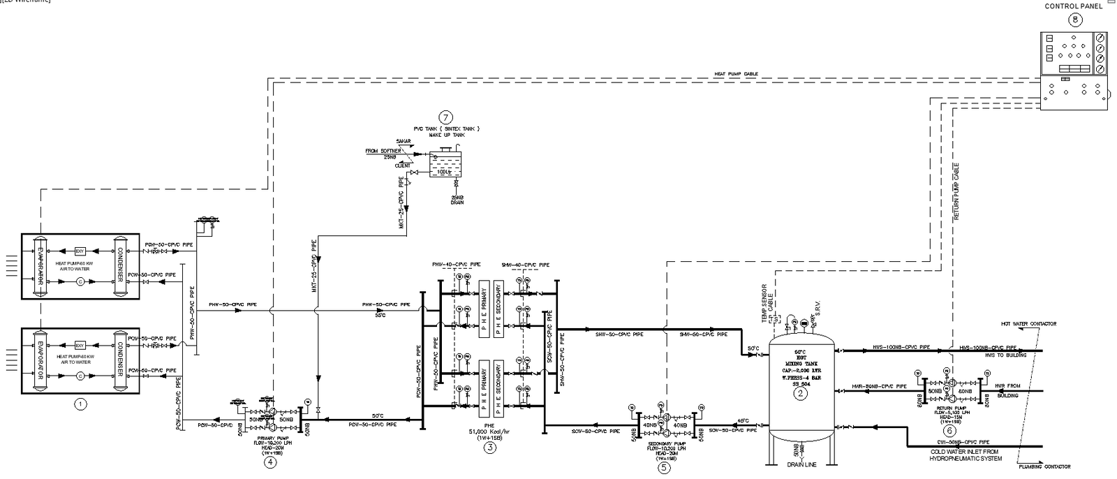
Download a detailed AutoCAD DWG file containing the entire diagram of the pipeline of the water tank. The drawing has been made with high accuracy to precisely mirror the layout, piping details, and flow routes of water storage and distribution systems. This is an apt diagram for civil engineers, architects, and construction companies to efficiently institute pipeline components like valves, joints, and connections into their management procedure for water flow. Whether you are designing for a residential, commercial, or industrial project, the detailed design and planning related to installing the water tank and pipeline installations require an indispensable DWG file. Access this complete diagram to satisfy accurate design references in your project from concept through construction.
File Type:
DWG
File Size:
1.6 MB
Category::
Dwg Cad Blocks
Sub Category::
Autocad Plumbing Fixture Blocks
type:
Gold

Uploaded by:
Eiz
Luna

