Shell Heat Exchanger Sectional Layout Drawing AutoCAD DWG File
Description
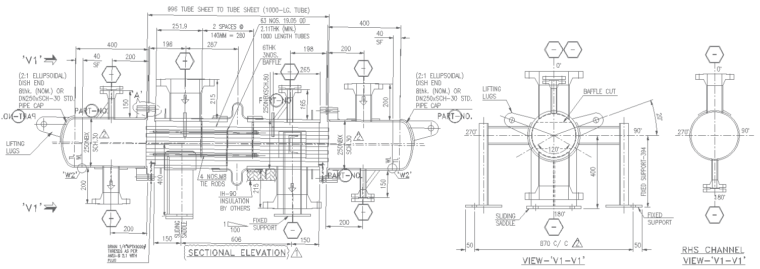
Explore in our detailed AutoCAD DWG file with the sectional layout drawing of a shell heat exchanger. Here, you will get all the necessary information about design and configuration. These dimensions, material specifications, and the individual component arrangement are inside this file. This type of file is best for engineers, designers, and HVAC specialists as it clearly represents the shell, tube, and baffle arrangements so that one can have a better understanding in the manufacturing and installation processes. Use for efficient planning, analysis, and maintenance of heat exchangers for different industrial purposes. Download now to gain great knowledge in engineering.
File Type:
DWG
File Size:
3.2 MB
Category::
Mechanical and Machinery
Sub Category::
Other Cad Blocks
type:
Gold

Uploaded by:
Eiz
Luna

