Swimming Pool Pump Installation Diagram AutoCAD DWG
Description
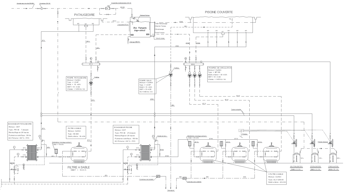
To be remembered amidst such resources, there is a detailed installation diagram of a swimming pool pump in AutoCAD DWG format meant for pool contractors, engineers, as well as maintenance professionals. These diagrams will give you clear schematics and layouts for different types of swimming pool pumps to ensure perfect installation and functionality. The actual dimensions, plumbing connections, and electrical requirements of this resource will not just make your installation process easier but also up to the mark regarding industry standards. Whether you're new to new construction or are focused on renovation, the AutoCAD DWG file provides you with the information you need for the ultimate pump installation. Take your project to the next level today with this professional-grade diagram download.
File Type:
DWG
File Size:
133 KB
Category::
Dwg Cad Blocks
Sub Category::
Autocad Plumbing Fixture Blocks
type:
Gold

Uploaded by:
Eiz
Luna

