Parking Slab Electrical & Plinth Beam Layout in DWG file
Description
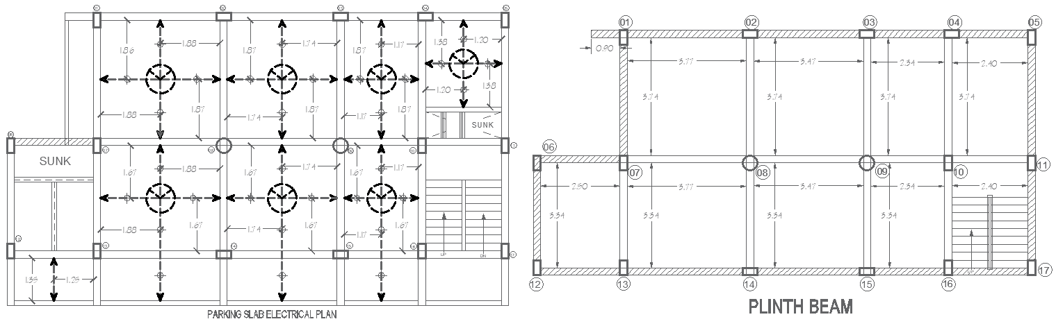
Get a complete set of structural details with our parking slab, electrical, and plinth beam plan. This design provides a meticulous layout, ensuring structural stability and optimal electrical arrangement. Ideal for engineers, contractors, and architects, the plan outlines every aspect required for a robust and safe foundation. The included AutoCAD DWG file offers detailed views and precision measurements, making it easier to integrate into your construction project. Ensure quality and efficiency with this comprehensive plan.
File Type:
Autocad
File Size:
128 KB
Category::
Electrical
Sub Category::
Architecture Electrical Plans
type:
Gold

Uploaded by:
Eiz
Luna

